一、赛项名称
赛项名称:工具钳工
赛项归属产业:加工制造类
二、参赛对象
机电、机械、数控类专业学生
三、竞赛形式
本次比赛为个人参赛项目,预赛成绩优异选手将进入决赛,预赛比赛时间为3小时,决赛比赛时间为4.5小时。
四、竞赛内容与时间安排
(一)竞赛内容
参赛选手在不间断的4.5小时内,使用赛场提供的工具、量具及钻床设备,按照赛卷要求,完成赛件的加工、检测任务。具体任务如下:
1.赛件加工:根据任务书利用现场提供的工、量具等条件,按要求在赛位上完成2个赛件加工。
2.赛件自检:根据任务书中提供的资料和要求,确定检测方案与检测方法,合理选用量具,按照检测任务书要求进行检测。
3.职业素养:
职业素养考核以下方面:
(1)设备操作的规范性;
(2)工具、量具、刃具的使用;
(3)现场的安全、文明生产;
(4)完成任务的计划性、条理性,以及遇到问题时的应对状况等。
(5)尊重赛场工作人员,爱惜赛场的设备和器材,保持赛位的整洁。
(二)竞赛时间与比赛日程
具体的竞赛日期,由大赛执委会统一规定,以下所列为日程安排。
日期 |
时间 |
内容 |
备注 |
2016年11月 |
16:10—19:10 |
工具钳工预赛 |
|
2016年12月 |
8:30—13:00 |
工具钳工决赛 |
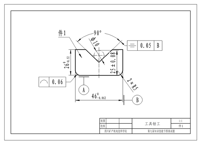
五、命题范围
本次竞赛以《国家职业技能标准》为主要内容,并结合钳工产业技术发展、市场需求的应用型实用技术技能,采用实操形式完成图样的制作。竞赛参考样图如下:


附参考评分标准:
序号 |
考核要求 |
配分 |
结果 |
得分 |
|
1 |
66 |
0 -0.12 |
8 |
||
2 |
56 |
0 -0.074 |
6 |
||
3 |
46 |
0 -0.062 |
6 |
||
4 |
26 |
0 -0.052 |
5 |
||
5 |
25 |
+0.08 -0.08 |
3 |
||
6 |
10 |
+0.1 -0.1 |
2 |
||
7 |
Ø 10H8 |
1 |
|||
8 |
5×45度 2处 |
2 |
|||
9 |
1处 R5(0.06) 2处 R5 2处 |
2 |
|||
10 |
平行度 0.06 |
3 |
|||
11 |
件1,90度V形角对称度为0.05 |
2 |
|||
12 |
粗糙度 按面 |
20 |
|||
13 |
配合间隙40分 (翻转180度间隙小于0.05mm4处) 4处。 |
40 |
|||
14 |
文明操作(外观无毛刺、伤损;正确使用量具、工具、设备;台面清洁、工具整齐;安全无事故) |
5分只扣分不加分 |
|||
15 |
考场记录: |
||||
六、成绩评定与奖项设置
(一)成绩评定
现场裁判依据现场打分表,对参赛选手的操作规范、现场表现等进行评分。评分结果由参赛选手、裁判员、裁判长签字确认。对参赛选手提交的竞赛成果,依据赛项评价标准进行评价与评分。
(二)奖项设置
奖项设置按照学院知识技能节奖项设置方案执行,本次竞赛设置一等奖一名,二等奖二名,三等奖三名。
七、技术平台
赛场提供工具钳工操作台及配套工量刀具。
八、参赛选手须知
(一)参赛选手要求
全体选手严格执行、认真参赛。必须做到:
(1)严格遵守执委会制定的各项比赛规则和技术要求。
(2)坚决服从执委会的领导和裁判的管理,并按有关工作流程执行。
(3)尊重裁判和赛场工作人员,自觉遵守赛场秩序。
(4)认真、细致、严肃、紧张地参加各项比赛活动。
(二)参赛选手守则
(1)严格遵守比赛规则、比赛纪律和安全操作规程。
(2)进入赛场前须将手机等通讯工具交赛场相关人员保管。
(3)佩带参赛证件及穿比赛服装进入比赛场地,并接受裁判的检查。
(4)爱护竞赛场所的设备、仪器等,不得人为损坏仪器设备等。
(5)竞赛过程中不准互相交谈,不准偷看暗示,不准擅自离开赛场。
(6)竞赛结束时应立即停止操作,不得拖延。
(7)竞赛结束后必须按裁判要求迅速离开赛场,不得在赛场内滞留。
(8)如对裁判员的执裁有异议,应在2小时内由领队向大赛仲裁委员会以书面形式提出。


学院首页

