一、赛项名称
赛项名称:普通铣床加工
赛项归属产业:加工制造类
二、参赛对象
数控专业,机电专业类班级
三、竞赛形式
根据报名人数确定预赛和决赛。预决赛均为个人参赛。预赛的形式为淘汰赛,前8名进入决赛。
四、竞赛内容与时间安排
(一)竞赛内容
参赛选手在不间断的6小时内,使用赛场提供的设备、附件,按照赛卷要求,完成赛件的加工、检测、填写相关技术文件任务。具体任务如下:
1.赛件加工:根据任务书的图样利用现场提供的铣床及附件等条件,按要求在赛位上完成赛件加工。
2.赛件自检:根据任务书中提供的资料和要求,确定检测方案与检测方法,合理选用量具,按照检测任务书要求进行检测,填写检验结果。
3.职业素养:
职业素养考核以下方面:
(1)设备操作的规范性;
(2)工具、量具、刃具的使用;
(3)现场的安全、文明生产;
(4)完成任务的计划性、条理性,以及遇到问题时的应对状况等。
(5)尊重赛场工作人员,爱惜赛场的设备和器材,保持赛位的整洁。
(二)竞赛时间与比赛日程
具体的竞赛日期,由大赛执委会统一规定,以下所列为日程安排。
日期 |
内容 |
备注 |
2016年6月 |
预赛 |
工时3小时 |
2016年6月 |
决赛 |
工时5小时 |
五、命题范围
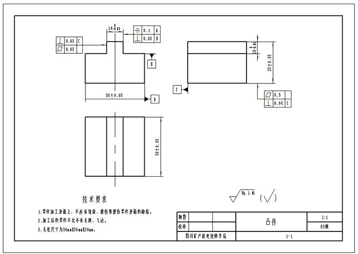
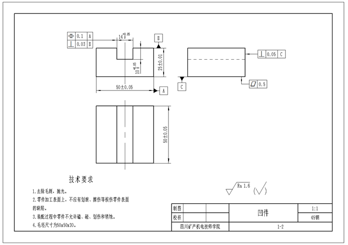
实操命题范围:根据教育部中等职业学校现代制造技术专业教学指导方案,紧密联系企业生产实际,参照普通铣工职业技能鉴定标准中的中级工的部分要求,适当体现当今现代制造技术领域的新技术、新工艺和新知识命题。按照提供的图样在规定的时间完成考件的加工,工件材质为45钢。以下为竞赛参考样图:

六、成绩评定与奖项设置
(一)成绩评定
现场裁判依据现场打分表,对参赛选手的操作规范、现场表现等进行评分。评分结果由参赛选手、裁判员、裁判长签字确认。对参赛选手提交的竞赛成果,依据赛项评价标准进行评价与评分。
(二)奖项设置
奖项设置按照学院知识技能节奖项设置方案执行,本次竞赛设置一等奖一名,二等奖二名,三等奖三名。
七、技术平台
竞赛项目组负责为每位参赛选手的提供相应机床设备,刀具和工量具等。
八、参赛选手须知
(一)参赛选手要求
全体选手严格执行、认真参赛。必须做到:
(1)严格遵守执委会制定的各项比赛规则和技术要求。
(2)坚决服从执委会的领导和裁判的管理,并按有关工作流程执行。
(3)尊重裁判和赛场工作人员,自觉遵守赛场秩序。
(4)认真、细致、严肃、紧张地参加各项比赛活动。
(二)参赛选手守则
(1)严格遵守比赛规则、比赛纪律和安全操作规程。
(2)进入赛场前须将手机等通讯工具交赛场相关人员保管。
(3)佩带参赛证件及穿比赛服装进入比赛场地,并接受裁判的检查。
(4)爱护竞赛场所的设备、仪器等,不得人为损坏仪器设备等。
(5)竞赛过程中不准互相交谈,不准偷看暗示,不准擅自离开赛场。
(6)竞赛结束时应立即停止操作,不得拖延。
(7)竞赛结束后必须按裁判要求迅速离开赛场,不得在赛场内滞留。
(8)如对裁判员的执裁有异议,应在2小时内由领队向大赛仲裁委员会以书面形式提出。


学院首页

